HT-1616-GM系列
HT-1616GM是一款集成15mm × 15mm × 4.0/2mm陶瓷天線的超緊湊型GNSS模塊,采用了聯發科技全系列GNSS芯片。采用空間節約型設計使HT-1616GM模塊極其適合微型設備,同時內置的陶瓷天線使其擁有超強的捕獲和追蹤能力。 通過先進的AGPS(EASY?)軌道預測技術和省電模式(AlwaysLocate?技術),HT-1616GM模塊實現高性能并且完全滿足工業標準。
- 型號:
- 采用芯片:
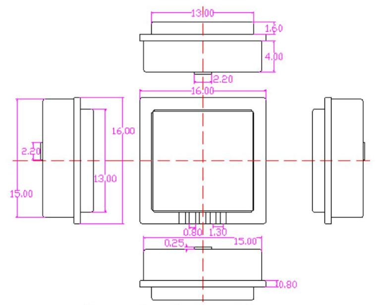
- 尺寸: 16×16×6.5/4.5(mm)
HT-1616GM是一款集成15mm × 15mm × 4.0/2mm陶瓷天線的超緊湊型GNSS模塊,采用了聯發科技全系列GNSS芯片。采用空間節約型設計使HT-1616GM模塊極其適合微型設備,同時內置的陶瓷天線使其擁有超強的捕獲和追蹤能力。 通過先進的AGPS(EASY?)軌道預測技術和省電模式(AlwaysLocate?技術),HT-1616GM模塊實現高性能并且完全滿足工業標準。
HT-1616GM是一款集成15mm × 15mm × 4.0/2mm陶瓷天線的超緊湊型GNSS模塊,采用了聯發科技全系列GNSS芯片。采用空間節約型設計使HT-1616GM模塊極其適合微型設備,同時內置的陶瓷天線使其擁有超強的捕獲和追蹤能力。
通過先進的AGPS(EASY?)軌道預測技術和省電模式(AlwaysLocate?技術),HT-1616GM模塊實現高性能并且完全滿足工業標準。EASY?技術使得HT-1616GM能自動計算和預測長達三天的軌道信息,并將這些信息存儲到內部RAM存儲器中,即使在室內弱信號情況下也能實現低功耗快速定位。AlwaysLocate?技術的運用,使得HT-1616GM可以根據不同的環境狀況和運行模式,自動調節定位時間,在確保定位精度的同時大大降低了模塊功耗。
HT-1616GM憑借超小尺寸,超高精度和靈敏度,幾乎能滿足M2M客戶所有應用需求,尤其適用于車載、個人追蹤、工業級PDA及其他相關手持設備等領域,特別適合于GPS接收機和OBD應用。
型號 | 芯片 | 尺寸 | 天線尺寸 | GNSS支持 | 定位精度 | 電流 |
HT-1616GM7 | MT3337 | 16×16×6.5/4.5(mm) | 15.0×15.0×4/2(mm) | GPS, QZSS, DGPS (RTCM) and AGPS | 3.5米CEP | 23mA @3.3V |
HT-1616GM9 | MT3339 | GPS, QZSS, DGPS (RTCM) and AGPS | 3.5米CEP | 25mA @3.3V | ||
HT-1616GM3 | MT3333 | GPS, GLONASS, GALILEO, BEIDOU, SBAS (WAAS, | 2.5米CEP | 35mA @3.3V |
HT-1616GM尺寸圖:

units:mm dimension error ±0.2mm